搜索
网站首页
关于我们
关于我们
公司简介
资质荣誉
企业文化
生产能力
产品中心
产品中心
户内高压真空负荷开关系列
户内高压真空断路器系列
户外高压真空断路器系列
新闻资讯
新闻资讯
公司新闻
行业动态
产品应用
资料下载
联系我们
"navigation"
网站首页
关于我们
公司简介
资质荣誉
企业文化
生产能力
产品中心
户内高压真空负荷开关系列
户内高压真空断路器系列
户外高压真空断路器系列
新闻资讯
公司新闻
行业动态
产品应用
资料下载
联系我们
当前位置:
首页
>
产品中心
>
户外高压真空断路器系列
>
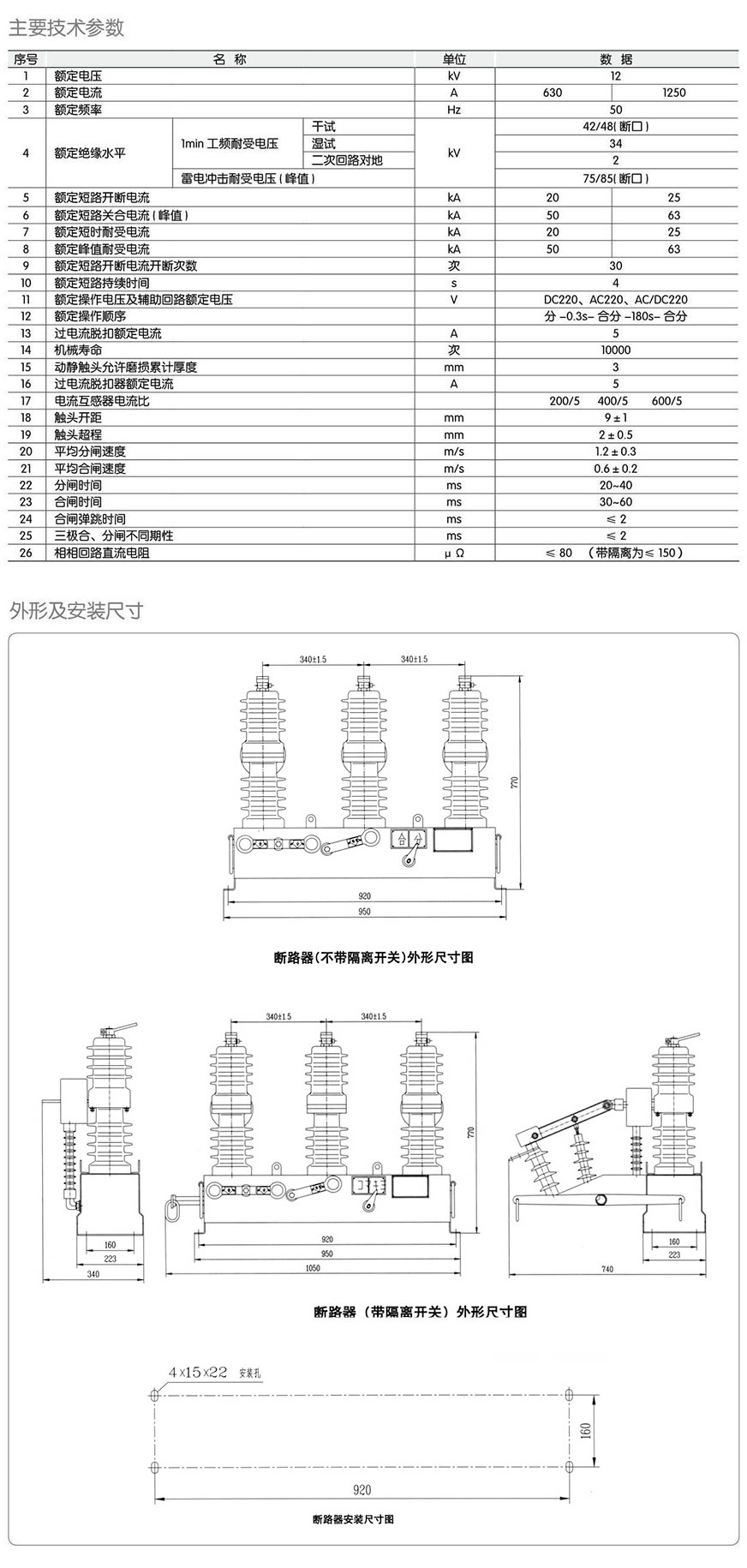
APW32-12(G)型户外高压真空断路器
PRODUCT CENTER
产品中心
产品中心
APW32-12(G)型户外高压真空断路器
详细信息
返回
上一个:没有了
下一个:
APW32-12/M型户外永磁式高压交流真空断路器
返回>>
相关产品
APW32-12(G)型户外高压真空断路器
APW32-12/M型户外永磁式高压交流真空断路器
APW32-12/F型户外永磁式高压交流真空断路器
APW32-24G型户外高压真空断路器
© 苏州阿尔派电力科技有限公司
苏ICP备18043221号-1
在线
QQ
在线QQ
微信
咨询
微信二维码
客服
热线
0512-68663331
客服热线